新宝凯(深圳)电气有限公司
13868302777
chinaxbk@163.com 织电为网,智见未来
产品中心
智慧物联断路器
智慧安全用电系统
低压电器
低压成套开关设备
高压成套设备
高压开关电器
电能质量治理
执法记录仪
新能源汽车充电桩
光伏成套设备
新产品中心
行业解决方案
电力行业解决方案
OEM行业解决方案
其他最终用户行业解决方案
建筑行业解决方案
配电台区精益化数字解决方案
服务支持
销售与服务
网络下载中心
常见问答
新宝凯电气
新宝凯中国
Eliot物联网
可持续发展
新宝凯新闻
加入新宝凯
样板工程
视频中心
联系我们
产品中心
智慧物联断路器
智慧安全用电系统
低压电器
小型断路器
光伏专用断路器
浪涌保护器
塑壳断路器
控制与保护开关
双电源
万能式断路器
交流接触器
隔离开关
软起动器
变频器
低压成套开关设备
低压配电箱
低压开关柜
XGW口-12箱式开闭所
高压成套设备
环网箱 / 环网柜
智能型一体化变电站
组合式变电器
铠装中置式交流金属封闭开关设备
户外电缆分支箱
高压开关电器
户内高压真空断路器
户外高压真空断路器
户内高压负荷开关
户外高压负荷开关
户内高压隔离开关
户外高压隔离开关
户内高压隔离手车系列
电能质量治理
执法记录仪
新能源汽车充电桩
光伏成套设备
新产品中心
行业解决方案
电力行业解决方案
OEM行业解决方案
其他最终用户行业解决方案
建筑行业解决方案
配电台区精益化数字解决方案
服务支持
销售与服务
网络下载中心
常见问答
新宝凯电气
新宝凯中国
Eliot物联网
可持续发展
新宝凯新闻
加入新宝凯
样板工程
视频中心
联系我们
当前位置:
首页
产品中心
低压电器
万能式断路器
当前位置:
万能式断路器
智慧物联断路器
智慧安全用电系统
低压电器
低压成套开关设备
高压成套设备
高压开关电器
电能质量治理
执法记录仪
新能源汽车充电桩
光伏成套设备
万能式断路器
产品中心
智慧物联断路器
智慧安全用电系统
低压电器
小型断路器
光伏专用断路器
浪涌保护器
塑壳断路器
控制与保护开关
双电源
万能式断路器
交流接触器
隔离开关
软起动器
变频器
低压成套开关设备
低压配电箱
低压开关柜
XGW口-12箱式开闭所
高压成套设备
环网箱 / 环网柜
智能型一体化变电站
组合式变电器
铠装中置式交流金属封闭开关设备
户外电缆分支箱
高压开关电器
户内高压真空断路器
户外高压真空断路器
户内高压负荷开关
户外高压负荷开关
户内高压隔离开关
户外高压隔离开关
户内高压隔离手车系列
电能质量治理
执法记录仪
新能源汽车充电桩
光伏成套设备
热销产品
EVPV-HLX光伏直流汇流箱
一体式交流充电桩
交流充电桩
便携式交流充电桩
智能有序充电装置
搜索
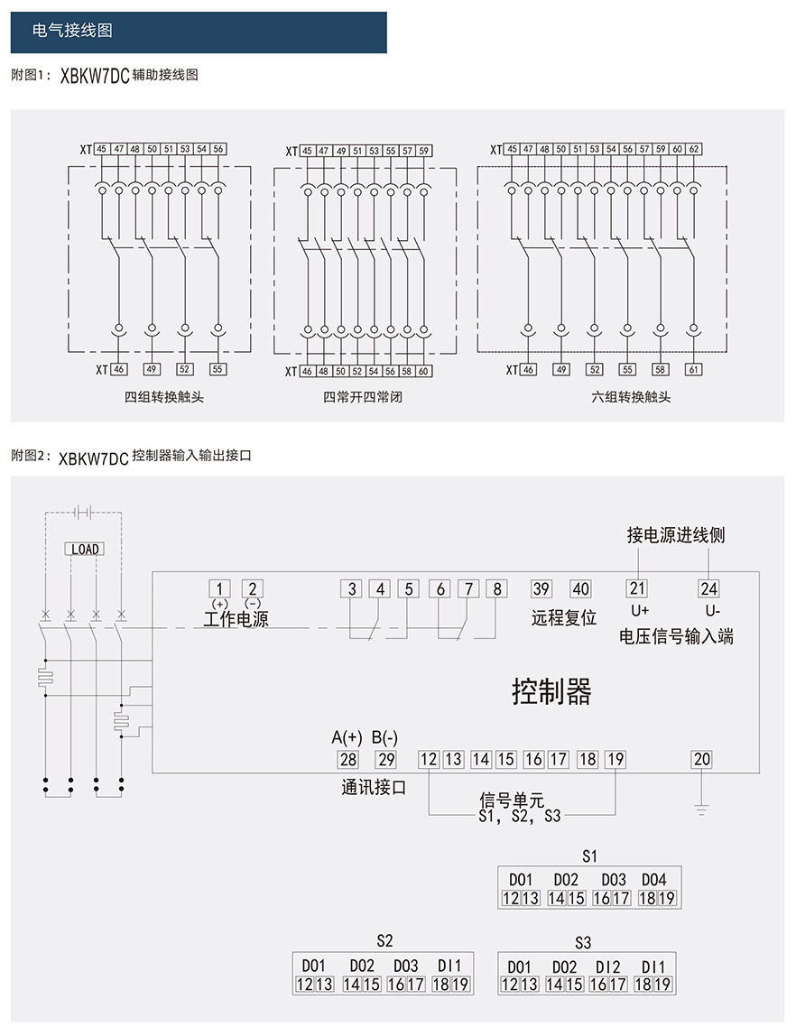
XBKW7DC直流万能式断路器
如果您有任何问题可以联系我们!
联系我们
产品详情
返回
上一个:XBKW5智能型万能式断路器
相关产品
XBKW7光伏专用万能式断路器(高分段)
XBKW7DC直流万能式断路器
XBKW5智能型万能式断路器
点击
隐藏
微信
咨询
扫一扫加我微信
电话
咨询
13868302777
客服热线
⚠️ 您的浏览器版本过低,可能无法正常使用本网站的全部功能。建议使用
Chrome
、
Firefox
或
Edge
浏览器访问。
×